M I T S U B I S H I
Електронний каталог
запчастин МІЦУБІСІ
(044) 566-04-13,
(067) 501-42-43, (050) 938-35-12
|
Оригінальні запчастини Міцубісі / Mitsubishi. Електронний каталог. |
| |
Електронний каталог запчастин для автомобилів MITSUBISHI
допоможе підібрати необхідну автозапчастину, визначити її оригінальний номер,
а також отримати інформацію про наявність і вартість запчастини і її аналогів в
ІНТЕРНЕТ-каталозі автозапчастин shop-autoparts.com.ua
|
|
|
|
|
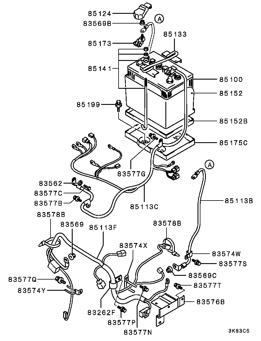
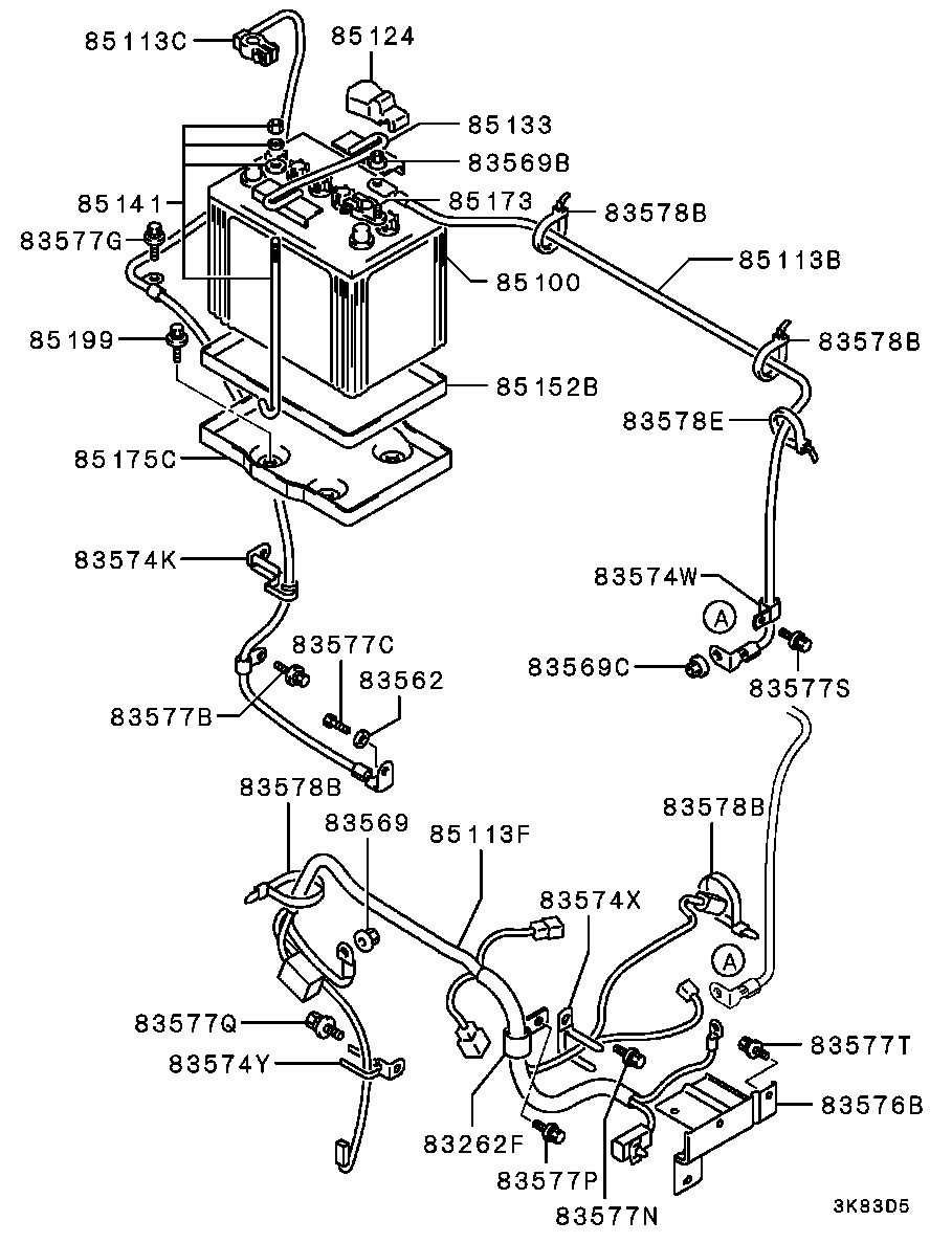
> Автомобіль: PAJERO/MONTERO (1.12.1990-3.06.2003) > Модель: 2400/SHORT VAN /V11V/ > Група: ЕЛЕКТРИКА КУЗОВА /54/ > Підгрупа: АКУМУЛЯТОР, ДРОТИ, КРІПЛЕННЯ /630/
Выберіть ЗАПЧАСТИНУ:
| 83262F |
CLAMP,BATTERY WIRING | | 83562 |
WASHER,BATTERY WIRING | | 83569 |
NUT,BATTERY WIRING | | 83569B |
NUT,BATTERY WIRING | | 83569C |
NUT,BATTERY WIRING | | 83574W |
CLIP,BATTERY WIRING | | 83574X |
CLIP,BATTERY WIRING | | 83574Y |
CLIP,BATTERY WIRING | | 83576B |
BRACKET,BATTERY WIRING | | 83577B |
BOLT,BATTERY WIRING | | 83577C |
BOLT,BATTERY WIRING | | 83577G |
BOLT,BATTERY WIRING | | 83577N |
BOLT,BATTERY WIRING | | 83577P |
BOLT,BATTERY WIRING | | 83577Q |
BOLT,BATTERY WIRING | | 83577S |
BOLT,BATTERY WIRING | | 83577T |
BOLT,BATTERY WIRING | | 83578B |
BAND,BATTERY WIRING | | 85100 |
BATTERY | | 85113B |
CABLE,BATTERY WIRING | | 85113C |
CABLE,BATTERY WIRING | | 85113F |
CABLE,BATTERY WIRING | | 85124 |
CAP,BATTERY TERMINAL | | 85133 |
HOLDER,BATTERY | | 85141 |
L-BOLT KIT,BATTERY | | 85152 |
SEAT,BATTERY | | 85152B |
SEAT,BATTERY | | 85173 |
TERMINAL,BATTERY | | 85175C |
TRAY,BATTERY | | 85199 |
BOLT,BATTERY STAY |
|
| 
| | | RHD
| | | Для вибору запчастини на схемі збільште зображення.
|
|
| 83262F |
CLAMP,BATTERY WIRING | | 83562 |
WASHER,BATTERY WIRING | | 83569 |
NUT,BATTERY WIRING | | 83569B |
NUT,BATTERY WIRING | | 83569C |
NUT,BATTERY WIRING | | 83574K |
CLIP,BATTERY WIRING | | 83574W |
CLIP,BATTERY WIRING | | 83574X |
CLIP,BATTERY WIRING | | 83574Y |
CLIP,BATTERY WIRING | | 83576B |
BRACKET,BATTERY WIRING | | 83577B |
BOLT,BATTERY WIRING | | 83577C |
BOLT,BATTERY WIRING | | 83577G |
BOLT,BATTERY WIRING | | 83577N |
BOLT,BATTERY WIRING | | 83577P |
BOLT,BATTERY WIRING | | 83577Q |
BOLT,BATTERY WIRING | | 83577S |
BOLT,BATTERY WIRING | | 83577T |
BOLT,BATTERY WIRING | | 83578B |
BAND,BATTERY WIRING | | 83578E |
BAND,BATTERY WIRING | | 85100 |
BATTERY | | 85113B |
CABLE,BATTERY WIRING | | 85113C |
CABLE,BATTERY WIRING | | 85113F |
CABLE,BATTERY WIRING | | 85124 |
CAP,BATTERY TERMINAL | | 85133 |
HOLDER,BATTERY | | 85141 |
L-BOLT KIT,BATTERY | | 85152B |
SEAT,BATTERY | | 85173 |
TERMINAL,BATTERY | | 85175C |
TRAY,BATTERY | | 85199 |
BOLT,BATTERY STAY |
|
| 
| | | LHD
| | | Для вибору запчастини на схемі збільште зображення.
|
| |
|